Restoration - LITELAB EN

Vai ai contenuti
Restoration.
The purposes

The restoration of a lamp is not only an aesthetic recovery,
but it restores the lighting function according to the current parameters of electrical safety and energy efficiency.

With the intervention it is also possible to redefine the lighting characteristics.
Aesthetic restoration

After having removed all the electrical components, the parts of the lamp can be treated separately with the most correct techniques for their restoration and conservation.
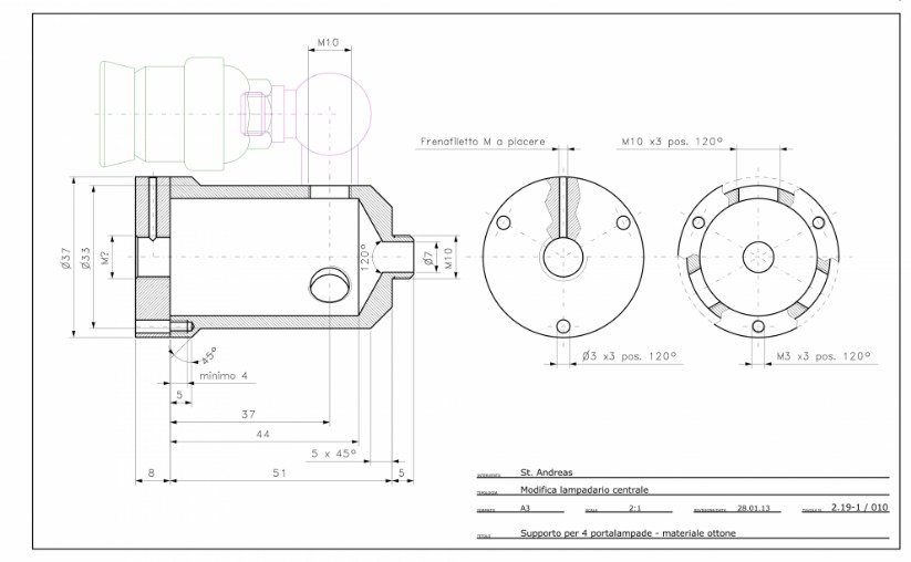
Component design

In some cases it is impossible to guarantee the electrical safety of the lamp in its original condition.
In other cases it is necessary to integrate
the lighting performance to improve its function.

The solution is the design of specific components, developed and manufactured ad hoc,

All of these components are designed to be assembled without any modification to the lamp
and possibly disassembled in the future.
Wiring

The new wiring guarantees electrical and thermal safety.

At this stage all the best solutions are introduced, such as: grounding, double insulated ptfe cables, certified lampholders, cable clips, anti-rotation blocks and - in the most critical cases - conversion to low voltage.
PCB LED board

In historical lamps it can be advantageous to integrate special LED sources
to determine both the flux and the direction of the light emission.

We also develop customized LED boards, with optimal performance
and extremely compact design.
Torna ai contenuti